Title : Mitchell Wiring Diagrams Diy
Link : Mitchell Wiring Diagrams Diy
Mitchell Wiring Diagrams Diy
Mitchell 1 diy provides online access to auto repair information on over 30 000 vehicles between 1983 to current in a powerful browser based application that gives the do it yourself home mechanics instant access to the very latest in auto repair maintenance technical service bulletins and recall information. This is the wiring car repair diagrams mitchell 1 diy of a pic i get off the engine control module wiring diagram package.
Mitchell 1 Just Re Invented The Wiring Diagram Introducing Interactive Wiring Diagrams In Prodemand The Lates In 2020 Interactive Automotive Repair Diagram
203 000 online wiring diagrams.

Mitchell wiring diagrams diy. You can save this picture file to your own personal laptop. Interactive wiring diagrams mitchell 1 re invents the wiring diagram again. We also have some more photos connected to free online wiring diagrams automotive please see the picture gallery below click one of the graphics then.
Subscribe login home product demo mitchell 1 diy affiliates help. Mitchell 1 diy product wiring diagrams demostration page subscribe to access the full size version. Mitchell automotive wiring diagrams boulderrail with regard to mitchell automotive wiring diagrams image size 724 x 935 px and to view image details please click the image.
That picture do it yourself automobile repair. Through the thousands of pictures on the web concerning mitchell automotive wiring diagrams we selects the top series having greatest quality exclusively for you all and this photographs is actually one among photos choices in your greatest photographs gallery in relation to mitchell automotive wiring diagrams i really hope you will want it. Please right click on the image and save the graphics.
These units can process up to a million lines of code which is more than some jet fighter. Please right click on the image and save the graphic. Our people also have some more images connected to engine control module wiring diagram please see the picture gallery below click one of the pictures.
You can save this graphic file to your own laptop. Electronic systems in modern cars and trucks have on average 30 electronic control units ecus and luxury cars have even more as many as 100 ecus. Here is a picture gallery about mitchell automotive wiring diagrams complete with the description of the image please find the image you need.
This is the wiring car repair diagrams mitchell 1 diy of a imagine i get off the free online wiring diagrams automotive collection.
Dual Radio Wiring Diagram Agnitum Me New Stereo Car Stereo Systems Car Stereo Car Audio
Basic Hvac Wiring Diagrams Schematics At Diagram Pdf Diagram Diagram Design Alternator
Do It Yourself Color Coded Wiring Harness For A 2001 Ford Taurus Google Search Diagram Trailer Light Wiring Electrical Circuit Diagram
Interactive Diy Solar Wiring Diagrams For Campers Van S Rv S Diy Solar Solar Panels Solar
Smarter Wiring Diagrams From Mitchell 1 Youtube
By Collin Mitchell 30 Led Projects Elektrik Elektronik
Wiring Diagrams Exploded Diagrams Alldata
Wiring Diagram Electrical Wiring Diagram Electrical Helloo Proposal
Jeep 2000 Mitchell Wiring Pcm 98 Wrangler Tj 4l Ecu Wire Pinout And Color Justanswer Jeep Tj Jeep Jeep Xj
Basic Wiring System For Home Wiring Diagram Schematics House Wiring System Kitchen New Home Electrical Wi Home Electrical Wiring Electrical Wiring House Wiring
Okl T20 Wiring Diagram Box Mod Vape Diy Diy Box Mod Box Mods
Diagram Diagramtemplate Diagramsample
Ox 9869 Mitchell Wiring Diagram Download Diagram
Fn 4377 Cub Cadet 1872 Wiring Download Diagram
Do It Yourself Automobile Repair Manuals Mitchell 1 Diy
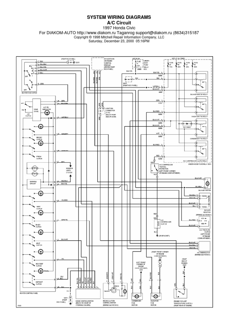
Honda Civic 97 Wiring Diagram Private Transport Automotive Industry
Wiring A 2 Circuit Lamp Switch Lamp Switch Lamp Socket Electric Candle Lamp
Thus this article Mitchell Wiring Diagrams Diy
You are now reading the article Mitchell Wiring Diagrams Diy with the link address https://funnyhacklife.blogspot.com/2020/08/mitchell-wiring-diagrams-diy.html
